引言
欧陆娱乐显示是以红、绿、蓝(RGB)三基色欧陆娱乐为光源的显示技术,可以最真实地再现客观世界丰富、艳丽的色彩,提供更具震撼的表现力。我国欧陆娱乐显示研发的最终目标是在未来的几年内将欧陆娱乐显示技术推向产业化。在这样的背景下,欧陆娱乐显示系统的光色性能的检测也显得越发重要。然而,目前的各类光色性能的检测系统以及各类色度照度计,其测量目标主要还是针对具有较宽光谱范围的非相干光源,同时存在成本昂贵、检测精度不高的缺点。
本文针对显示用欧陆娱乐光源波长固定的特点,在获得精确被测光源对应的光电流值的情况下,只要给出被测光源的特定波长相对应的光电转换装置的光电转换系数,就能获得精确的被测光源的光功率分布,进而获得该被测光的光色性能的光通量、对比度、均匀度等参数。基于上述理论,本文结合单片机设计了欧陆娱乐显示的手持式光色性能测量系统,从而实现了欧陆娱乐投影系统的光色性能测量,成本低,精度高;由于是手持式设备,更易于携带,而且也适用于更多的场合。
1 测试原理
本测试装置采用颜色传感器感应投影欧陆娱乐投影屏幕的光电流,此时只要得到输出光电流与所述被测光的光功率分布的转换系数,就可以得到被测光的光功率,并由光功率通过相应的公式计算出相应欧陆娱乐投影的光色性能参数。
测量时,转换系数是在光色性能测量之前事先被确定的,并被记录在一个表格中。方法是利用光功率计测量出被测欧陆娱乐的光功率,再用该欧陆娱乐照射光电转换装置,读出该光电转换装置的输出数字电压值;接着,基于已知的波长位置光的光功率分布,就能计算出各个波长位置的光所对应的光电转换装置的输出光电流与各波长位置的光功率分布之间的转换系数。限于篇幅,这里只列出被测光的光功率分布计算公式:

在对欧陆娱乐显示的光色性能进行测量的过程中,根据被测光的特定波长,通过查找该表格,即可以选择对应的光电转换系数。
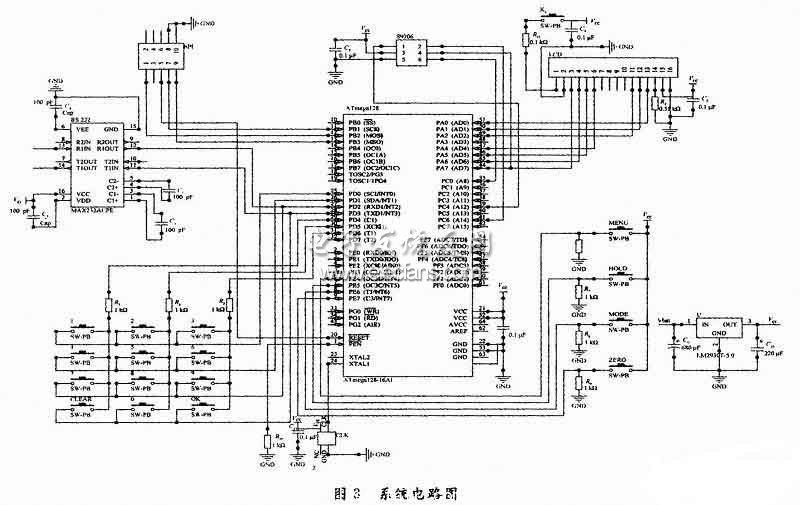
2 测试系统结构
如图1所示,本测试系统设计为九个单元,下面将对九个单元分别做出介绍。

中央处理单元U1是整个测试系统的核心,其芯片的选择将影响到整个系统的性能。经过比较,ATmega128单片机具有先进的RISC结构,133条指令,大多数可以在一个时钟周期内完成;具有128 KB在线可重复编程FLASH,4 KB E2PROM以及4 KB的内部SRAM;32×8位通用工作寄存器;全静态工作,工作于16 MHz时,性能高达16 MIPS。综上所述,考虑到ATmage128功能强、成本低、速度快、接口多的特点,选择其作为中央处理单元U1,来输出光电转换装置的控制信号和读取该光电转换装置U4输出的被测光所对应的各光电流值,并根据光电流值及该光电转换装置的光电转换系数计算光色性能的各测试参数和将参数结果送到显示单元。
数据传送单元U2采用RS 232,以将ATmega128中的数据传送至PC;由于AVR的USART本身并不是标准的RS 232C接口,因此,在电路上还需做一定的转换才能与PC机通信,主要应解决两个问题:其一是AVR的USART本身只配了TXD,RXD两根信号线;其二是AVR的USART本身的输出是TTL/CMOS兼容的电平,采用的是正逻辑。
因此,利用MAX232为电平转换芯片来设计电平逻辑转换电路与PC机通信。
程序下载接口U3采用ISP来用于ATmega128程序的下载。由于采用了ISP技术,所以,在用器件实现预定功能时,省去了专门的编程设备对器件进行单独编程的环节,从而简化了设计过程。而且在利用ISP技术进行功能修改时,能够在不从系统中取下器件的情况下直接对芯片进行重新编程,因而设计调整验证十分方便,可及时处理那些设计过程中无法预料的逻辑变动,可大大缩短系统的设计与调试周期。
光电转换装置U4用于获得被测光在测试点对应的光电流值。它采用圆筒状结构,圆筒顶部设置有漫光片(漫光片的作用是对探头的光谱匹配进行修正),数字光敏芯片S9706设置在圆筒底部。由于S9706是高性能多波段感光芯片,可自动完成A/D转换,且最大可测光照度可调,因此,整个过程可得到简化。图2为光电转换装置的结构图。

显示单元U5选用NOKIA 5110点阵LCD,体积小,采用串口与单片机通信,串口速率高达4 b/s。
供电单元U6为U1,U2,U4,U5,U7供电,它可将锂电池3.7 V电压转换到3.3 V的工作电压。
U7为外部时钟晶振。考虑到ATmega128内部时钟晶振的不精确性,故采用精确性好的4 MHz外部时钟晶振。
普通无源按键U8,用于光源波长等数据的输入,是手持式测量装置的输入部分。
中断按键包括菜单按键,可与中央处理单元模块普通I/O口相连,用于一些参数的查看和功能的设置;模式选择按键MODE与中央处理单元模块中断输入口相连,用于不同制式之间的切换选择;消除环境光干扰按键ZERO与中央处理单元中断输入口相连,用于消除环境光的干扰;静止按键HODE与中央处理单元中断输入口相连,用于停止装置的实时性,静止的显示上次测试的结果;菜单按键MENU与中央处理单元中断输入口相连,用于打开菜单。测试系统电路如图3所示。

3 系统工作流程
软件程序分为单片机ATmega128端和手持终端界面;前者利用CVAVR用C编写程序,将光电转换装置输入的光电流按照一定的算法进行处理,并显示结果。具体软件流程图如图4所示,其中例程1和例程2将同时进行。

手持测试装置的界面采用C#编写的图形用户界面,是得到测试光色参数的直接途径,用户通过按键选择相应参数进行测试后,其测试结果将显示在相应的表格里。#p#分页标题#e#
4 结语
本文设计在参考标准精度为0.1%的情况下,预计其精度可达到1%以下,此精度已远远高于国家要求的4%的标准。系统验证结果证明,该单点测试系统可以低成本实现光色性能的便携式高精度测量,并可以移动地实现光通量、照度均匀度、色度均匀度、对比度等主要光色性能的精确测试。
该测量仪克服了现有技术的不足之处,在测试前无需对光电转换装置的光谱灵敏度曲线与标准颜色匹配曲线进行拟合,这在很大程度上实现了低成本。
转载请注明出处。







相关文章
热门资讯
精彩导读

































关注我们




