半导体欧陆娱乐器是以半导体材料作为欧陆娱乐工作物质的欧陆娱乐器。它具有超小型、高效率、结构简单、价格便宜以及可以高速工作等一系列优点。自1962年问世,特别是二十世纪80年代以来,发展极为迅速。它是目前光通信领域内使用的最重要光源,并且在CD、VCD、DVD播放机、计算机光盘驱动器、欧陆娱乐打印机、全息照相、欧陆娱乐准直、测距及医疗等许多方面都获得了重要应用。
半导体欧陆娱乐器是注入式的受欧陆娱乐放大器。虽然它形成欧陆娱乐的必要条件与其它欧陆娱乐器相同,也须满足粒子数反转、谐振等条件,但它的激发机理和前面讨论的几种欧陆娱乐器截然不同。它的电子跃迁是发生在半导体材料导带中的电子态和价带中的空穴态之间,而不象原子、分子、离子欧陆娱乐器那样发生在两个确定的能级之间。半导体材料中也有受激吸收、受激辐射和自发辐射过程。在电流或光的激励下,半导体价带中的电子可以获得能量,跃迁到导带上,在价带中形成了一个空穴,这相当于受激吸收过程。此外,价带中的空穴也可被从导带跃迁下来的电子填补复合。在复合时,电子把大约等于Eg的能量释放出来,放出一个频率为
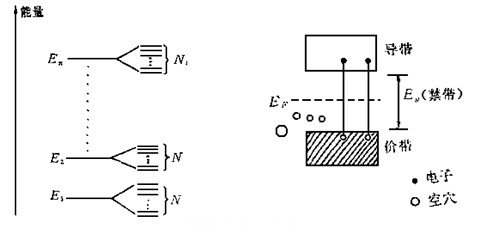
原子的能级对应着原子的不同运动状态。实际上固体中原子之间相距不远,由于原子间的相互作用,能级会分裂。在一个具有N个粒子相互作用的晶体中,每一个能级会分裂成为N个能级,其相互间能量差小到10-22eV数量级。因此这彼此十分接近的N个能级好象形成一个连续的带,称之为能带,见图(1)。
纯净(本征)半导体材料,如单晶硅、锗等,在绝对温度为零的理想状态下,能带由一个充满电子的价带和一个完全没有电子的导带组成,如图(2)。二者之间是禁带,那时半导体是一个不导电的绝缘体。随着温度的升高,部分电子由于热运动激发到导带中,成为自由电子。同时价带中少了一个电子,产生一个空穴,相当于一个与电子电量相同的正电荷。在外电场的作用下,导带中的电子和价带中的空穴都可以运动而导电,二者都称为载流子。#p#分页标题#e#

图(1) 固体的能带 图(2) 本征半导体的能带结构
热平衡时,电子在能带中的分布不再服从玻尔兹曼分布,而服从费米分布,能级E被电子占据的几率为
(1)式
其中
#p#分页标题#e#在四价的半导体晶体材料中,掺以五价元素取代四价元素在晶体中的位置,这种掺杂的半导体叫做N型半导体。若在四价的半导体晶体材料中掺以三价元素,这种掺杂的半导体叫做P型半导体。N型半导体中,多出来的电子不能参与组成共价键,很容易成为自由电子,这使得在导带的下方靠近导带的地方形成新的能级,称为施主能级。P型半导体中,由于三价元素少一个电子,其中一个共价键出现空穴,电子占据价带的几率增大,这使得在价带的上方靠近价带的地方增加出来新的能级,称为受主能级。
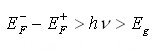
杂质半导体中费米能级的位置与杂质类型及掺杂浓度有密切关系。为了说明问题,图(3)给出了温度极低时的情况。受主能级使费米能级向下移动(图(3)(b)),施主能级使费米能级向上移动(图(3)(d))。重掺杂时费米能级甚至移动到价带(图(3)(c))或导带(图(3)#p#分页标题#e#(e))之中。这里已经假设温度极低,因此重掺杂P型半导体中低于费米能级的能态都被电子填满,高于费米能级的能态都是空的,价带中出现空穴。这种情况叫做P型简并半导体。反之,重掺杂N型半导体中低于费米能级的能态都被电子填满,尽管温度极低,导带中也有自由电子。这种情况叫做N型简并半导体。在非平衡条件下还会出现所谓“双简并半导体”,这时在半导体中存在两个费米能级,如图(3)(f)所示(详见下面的讨论)。

图(3)费米能级的位置与杂质类型及掺杂浓度关系
当光照射到图(3)所示的各种半导体时,在a—e的五种情况下,半导体中只有一个费米能级,在它之上没有电子,在它之下已充满电子,因此不会发生电子向没有被电子占据的空态跃迁,而只会将外来光子吸收。在图(3)f所示的情况下有所不同,两个费米能级使得导带中有自由电子,价带中有空穴。如果外来光子的能量与上能带中电子和下能带中空穴之间的能量差相同,则会诱导导带中电子向价带中空穴跃迁而发出一个同样的光子。当外来光子的能量大于两费米能级
(2)
转载请注明出处。








相关文章
热门资讯
精彩导读



















关注我们




