阅读 | 订阅
阅读 | 订阅
欧陆娱乐电源

RF CO2欧陆娱乐电源类别与原理(二)

星之球欧陆娱乐 来源:21ic2012-05-29 我要评论(0 )   

3原理电路 RFCO2欧陆娱乐电源由5部分组成[1],如图1所示。 图1 RF CO2欧陆娱乐器电源原理框图 图1中第1部分为整流滤波电路,采用全波桥式整流与电容滤波将220V交流变为311V平...

3原理电路

  RFCO2欧陆娱乐电源由5部分组成[1],如图1所示。

  

图1 RF CO2欧陆娱乐器电源原理框图

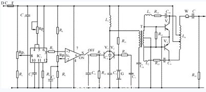
  图1中第1部分为整流滤波电路,采用全波桥式整流与电容滤波将220V交流变为311V平滑直流。第2部分为开关电源,将311V直流变为100kHz脉冲电流,再经电容、电感滤波后变为30V、8A直流。第3部分包括由振荡器与放大器两部分组成的RF电路(如虚线框内所示)。将输入直流经晶振变为40MHz,6W射频。再经14.28dB增益的放大器,放大后输出为40MHz,160W。第4部分为脉冲工作的调制器。第5部分为匹配网络

  本文将重点介绍第3部分和第4部分。电路如图2所示。振荡器由晶体管V2、电感线圈L1、电容器C5、C7、电阻R11、R12、石英晶体振荡器G等组成。晶体振荡电路产生6W、40MHz正弦振荡波,经3:1传输线变压器T,推动推挽功率放大器。推挽功率放大器由晶体管V3、V4,电感L3、L2,电阻器R13、R14、R15,电容器C9、C10和变压器T组成D类电流开关推挽放大器,两个晶体管轮流导通。为了追求小型化,提高效率是关键,因而采用D类电流开关推挽放大器是一种必然结果。这一点可由下述工作过程的分析清楚地看出。

  当晶体管导通时,C极电流的基波分量为最大,回路中点电压也等于最大值Umax,在中心点处的电压平均值等于电源电压。因此(当UCC≈30V时),

  由此得出:

  Umax=(π/2)(UCC-UCS)+UCS(2)

  C极回路两端交流电压峰值为:

  UCmax=2(Umax-UCS)=π(Ucc-Ucs)(3)

  基波分量振幅为:(2/π)ICC,因而回路产生基频电压振幅为:

  UCmax=(2/π)ICCR(5)

  将(3)式代入(5)式即得:

  ICC=πUCmax/2R=(π2/2R)(UCC-UCS)(6)

  则输出功率:

  P0=U2Cmax/2R=(π2/2R)(UCC-UCS)2(7)

  DC输出功率:

  PDC=ICC.UCC=(π2/2R)(UCC-UCS)UCC(8)

  C极耗散功率:

  PC=PDC-P0=(π2/2R)(UCC-UCS)UCS(9)

  由此得出C极效率:

  ηC=P0/PDC=(UCC-UCS)/UCC(10)

  可见,晶体管饱和压降UCS越小、效率ηC则越高,若

  UCS→0,则ηC→100%,这是D类电流开关推挽放大电路的优点,为此设计时应注意尽量选取饱和压降低的功率晶体管。

       脉冲工作由图1中第4部分调制器控制。调制器的原理电路见图2,它以IC1与IC2为主体,组成幅度键控调制器,属于数字信号调幅的线性调制器[3]。连续工作时,将图2中S开关置于OFF关断位置。脉冲工作时,将S开关置于ON接通位置。脉冲调制的工作过程是:利用一个矩形脉冲序列的基带信号对振荡器晶体管V2的振荡幅度进行控制。由控制振荡电路的起振与停振达到调制的目的。由电位器RP4控制调制频率,由RP7控制脉冲宽度。所以,调制频率与调制脉宽皆可作到连续可调。

  

图2RF电路原理图

  第5部分是阻抗匹配网络。负载阻抗匹配的目的是消除不匹配负载的反射。方法是引入电抗性元件(电容、电感或传输线)。人为地产生一个或数个反射波。使它与原来不匹配负载产生的反射波相互抵消。使欧陆娱乐器的输入阻抗与RF电源的输出阻抗互为共轭复数。匹配网络一般分为两种,一种是集总参数匹配网络,其主要形式有L型、T型、π型等[3]。这种匹配网络的主要缺点是:插入耗损大、噪声大、体积大。另一种是分布参数匹配网络,是1/4波长传输线,这就克服了上述集总参数匹配网络的缺点。它的理论关系比较简单。由传输线任一点上的电压和电流方程即可方便地导出下列1/4波长(或1/4波长奇数倍)阻抗交换方式为: Z0=(10)

  式中Z1——电源输出的阻抗;

  Z2——欧陆娱乐器输入的阻抗;

  Z0——1/4传输线的特性阻抗。

  1/4传输线采用SYV-50-3电缆。它一端接电源,另一端接欧陆娱乐头。该RF电源如作积木式结构应用,同时可满足输出欧陆娱乐30W,60W等欧陆娱乐器的需要。

  4结束语

  最后是关于欧陆娱乐头的准电感谐振技术。为了使输入射频沿欧陆娱乐器长度,电压分布均匀,加入一对电感并联在谐振腔上下电极之间。这样,由于电感负导纳的补偿作用,使欧陆娱乐器沿长度上的驻波比大大下降,失配角小于9°,理论计算结果电压不均匀度小于3%。

  有关过流、过压、过热保护电路、显示电路、安全延时电路、自诊断等辅助电路,本文不再一一赘述。

 

转载请注明出处。

暂无关键词
免责声明

① 凡本网未注明其他出处的作品,版权均属于欧陆娱乐制造网,未经本网授权不得转载、摘编或利用其它方式使用。获本网授权使用作品的,应在授权范围内使 用,并注明"来源:欧陆娱乐制造网”。违反上述声明者,本网将追究其相关责任。
② 凡本网注明其他来源的作品及图片,均转载自其它媒体,转载目的在于传递更多信息,并不代表本媒赞同其观点和对其真实性负责,版权归原作者所有,如有侵权请联系我们删除。
③ 任何单位或个人认为本网内容可能涉嫌侵犯其合法权益,请及时向本网提出书面权利通知,并提供身份证明、权属证明、具体链接(URL)及详细侵权情况证明。本网在收到上述法律文件后,将会依法尽快移除相关涉嫌侵权的内容。

网友点评
0相关评论
精彩导读