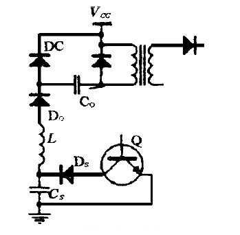
3) 无源回馈关断缓冲电路(图4) : 图中Co 为转移电容, Dc 为回馈二极管,由这两个元件将能量回馈到负载上。当管子关断时,缓冲电容Cs 充电至电源电压Vcc ,在管子下一次开通时,负载电流从续流二极管Df 转移至晶体管。同时, Cs 上的电压谐振到Co 上。 当管子再关断时,电容Cs 再次充电,电容Co向负载放电,能量得到回馈。
  
图4 无源回馈关断缓冲回路
4) 无源回馈开通缓冲电路(图5) :此电路通过变压器将磁场贮能回馈到电源。变压器为双线绕制,其原边具有一定电感;幅边的极性与原边相反,并且接有反向二极管。管子开通时,原边承受全部电源电压,副边无通电回路。管子关断时,副边感应电压极性换向,当其电压高于电源电压Vcc 时, 向电源馈送能量。
  
图5 无源回馈开通缓冲回路
5) 复合缓冲电路: 将开通缓冲电路与关断缓冲电路结合在一起, 则形成复合缓冲电路, 在晶体管开通和关断时复合缓冲电路均有保护作用。这种电路也分为耗能式和馈能式两类。
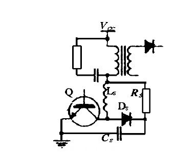
a. 耗能式复合缓冲电路(图6) : 在管子开通时, 缓冲电容经Cs 、Rs 、Ls 回路放电, 减少了管子承受的电流上升率。此外,在管子开通时,电感Ls 还可限制续流二极管Df 的反向恢复电流。
  
图6 耗能式复合缓冲回路
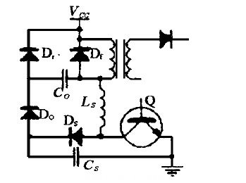
b. 馈能式复合缓冲电路(图7) : 当晶体管关断时, 电容Co和电感Ls 并联运行,将贮存的能量馈送到负载。当电容Co 放电时,电感Ls 上的电压逐渐减小为0 ,在这段时间内负载电流经续流二极管Df 导通。
  
图7 馈能式复合缓冲回路
上述各种缓冲电路不外乎分为两大类型, 即耗能式和馈能式。耗能式线路简单但相对耗能较高,适合于较小功率电源使用。馈能式线路复杂, 但在大功率电源中, 如果将缓冲电路所耗散的能量以热的形式散发, 势必造成很大麻烦, 因此, 要采用馈能式缓冲电路。
2 结束语
有效地避免主开关管的二次击穿是提高开关电源可靠性的关键, 也是值得研究的一个课题。当前, 开关电源正朝着高频化、大功率化的方向发展, 上面所讨论的问题会显得更为突出。应引起足够的重视。
转载请注明出处。






 
  


 相关文章
相关文章
 热门资讯
热门资讯
 精彩导读
精彩导读



















 关注我们
关注我们




